客户咨询热线:
021-56616517
首页
产品展示
ZNY轴承
BENDAC轴承
GENBRG轴承
BOWER轴承
SKF轴承
FAG轴承
FYH轴承
联系我们
型号查询
型号:
品牌:
全部
ZNY
BENDAC
GENBRG
BOWER
SKF
FAG
NTN
HBB
NMB
IKO
TPI
FYH
NACHI
ASAHI
LYC
HRB
类型:
全部
开放式径向滚珠轴承
球面滚子推力轴承
推力角接触球轴承
滚子轴承
关节轴承
圆锥滚子轴承
球轴承
法兰式双面防尘盖径向滚珠轴承
丝杠轴承系列
斜角滾珠軸承
双向推力角接触球轴承
滾針軸承
锁紧螺母
滚珠丝杠Ⅱ
辊颈用轴承
法兰式双面防尘盖径向滚珠轴承(英制尺寸)
轴承用附件
转盘轴承
自动调心球轴承
自动调心滚子轴承
承受联合载荷的高精密轴承
丝杠支撑轴承
薄型开放式径向滚珠轴承
螺母
退卸套
滚针轴承
主轴轴承
直线运动球轴承
带座外球面轴承
滚轮
机加工滚针轴承
绝缘轴承
鼓形滚子轴承
薄型法兰式双面防尘盖径向滚珠轴承
开放式径向滚珠轴承(英制尺寸)
圆柱滚子推力轴承
小型球轴承及微型球轴承
交叉滚子轴承
传感器轴承单元
滚针和保持架组件
推力滚珠轴承
径向圆柱滚子轴承
极薄型的径向滚珠轴承
陶瓷轴承
滚动轴承用螺母
调心滚子轴承用附件
自润滑关节轴承
SNL轴承座
滚动轴承用紧定套
推力圆柱滚子轴承
球面滚子轴承
滑轮用圆柱滚子轴承
立式带座调心轴承
推力圆柱滚子轴承-推力圆柱滚子和保持架组件 -推力轴承垫圈
圆柱滚子轴承
角接触球轴承系列
密封圈
超小滾珠軸承
止动环及止动槽
双列圆柱滚子系列
單列深溝滾珠軸承
滚动轴承用拆卸套
外球面轴承,轴承座单元
调心滚子轴承
推力滚针和保持架组件-推力轴承垫圈-推力滚针轴承
推力圆锥滚子轴承
滚动轴承用止动挡块
角接触球轴承
轴承座
特殊应用轴承
带座外球面球轴承
JIS称呼代号径向滚珠轴承
冲压外圈滚针离合器
挡块
调心球轴承
深沟球轴承
推力滚子轴承
附件
带止动环的径向滚珠轴承
双面防尘盖径向滚珠轴承
四点接触球轴承
推力调心滚子轴承
冲压外圈滚针轴承
CARB 圆环滚子轴承
紧固件和止动件
薄型双面防尘盖径向滚珠轴承
滚针及万向节轴承
止推轴承
推力轴承
角接触轴承
紧定套
向心推力球轴承
滚动体
推力球轴承
小型及微型球轴承
双面防尘盖径向滚珠轴承(英制尺寸)
石墨轴承
回转支撑轴承
内径:
外径:
厚度:
您当前的位置:
网站首页
>
产品中心
>
产品详情
产品参数
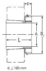
H3120轴承
型号:
H3120
旧型号:
品牌:
BENDAC
系列:
调心滚子轴承
厚度(B):
76
静负荷:
内径(d):
90
动负荷:
外径(D):
130
备注:
联系方式
热线电话:021-56616517
QQ:1197694438 邮箱:2424025657@qq.com
在线留言
产品详情
上海呐志精密轴承有限公司销售H3120轴承,H3120轴承相关信息有: 型号H3120 内径:90 外径:130 厚度:76 品牌:BENDAC 系列:调心滚子轴承 ,想要更多的了解H3120轴承的相关信息,可以进行在线咨询或者拨打热线电话 ,我们会详细为您服务。
H3120轴承使用范围很广,H3120轴承主要应用于工程机械、机床、汽 车、冶金、矿山、石油、机械、电力、铁路等行业,本公司销售的H3120轴承价 格合理,保证质量,全方面的服务,尽一切满足客户的需求。
推荐型号
OH3132H轴承
OH3032H轴承
OH3936H轴承
OH3260H轴承
OH2332H轴承
MB33轴承
MS3144轴承
MB00轴承
MBL24轴承
22205CJ轴承
KM00轴承
KML24轴承
KM29轴承
HML41轴承
HM42轴承
HM3144轴承
HM3044轴承
H3120轴承
H304轴承
H3936轴承
H3024轴承
H3260轴承
H2304轴承
H204轴承
AOH3944轴承
AOH3232轴承
AOH3132轴承
AOH2236轴承
AOH3032轴承
AOH24144轴承
版权所有:上海呐志精密轴承有限公司
备 案 号:
沪ICP备2022032159号-1
公安备案:
沪公网安备 31011402008998号
技术支持:
华轴网
地址:上海市金山区廊下镇景乐路228号3幢(廊下乐农文化创意产业园)
邮箱:2424025657@qq.com
电话:021-56616517
18817916889
扫一扫 加微信
在线客服
在线客服
在线客服
在线客服
免费咨询
销售热线:
021-56616517
服务传真:
021-56619876
上班时间:
周一至周五
8:00-18:00